法蘭管件資訊
 
- 管螺紋法蘭規格查詢表
        PN1.0Mpa 10壓力管螺紋法蘭規格查詢表 公稱通經 DN 管螺紋規格 (英寸) 鋼管外徑 A 法蘭外徑 D 螺絲孔中心距 K 螺絲孔直徑 L 螺絲孔數量 n 螺紋 Th 法蘭厚度 C 法蘭頸部 N 法蘭頸部 R 法蘭高度... 
 
- 管螺紋法蘭理論重量表
        PN1.0Mpa 10壓力管螺紋法蘭理論重量表 公稱通經 DN 管螺紋規格 (英寸) 鋼管外徑 A 法蘭外徑 D 螺絲孔中心距 K 螺絲孔直徑 L 螺絲孔數量 n 螺紋 Th 法蘭厚度 C 法蘭頸部 N 法蘭頸部 R 法蘭高度... 
 
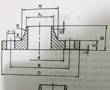
- 對焊法蘭規格尺寸對照表
        對焊法蘭97版PN16壓力規格尺寸對照表 公稱規 格 通經 (法蘭焊接端外徑) (法蘭焊接端外徑) 連 接 尺 寸 螺紋 法蘭厚度 C 法 蘭 頸 部 圓角大小 法蘭總高度 f法蘭理論重量 DN A系列鋼... 
為什么選擇我們?
 
    法蘭管件廠家實力大,售后有保障
占地4000平方米,擁有2000平方米標準化重型工業廠房,各種大、中型精密數控,設備加工。
大量國標法蘭,美標法蘭,現貨庫存,非標法蘭來圖,來樣定制加工。
法蘭管件質量符合國家要求

 
  
       
       
       
       
       
       
       
       
       
       
       
       
       
       
      